증폭기 및 이미지센서
페이지 정보

본문
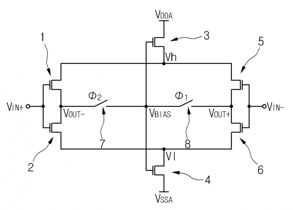
본 발명에 따른 증폭기에는, 직렬로 Vh노드와 Vl노드의 사이에 연결되는 제 1 트랜지스터 및 제 2 트랜지스터; 직렬로 상기 Vh노드와 상기 Vl노드의 사이에 연결되는 제 5 트랜지스터 및 제 6 트랜지스터; 전압원과 상기 Vh노드 사이에 연결되는 제 3 트랜지스터; 그라운드와 상기 Vl노드 사이에 연결되는 제 4 트랜지스터; 상기 제 3 트랜지스터 및 상기 제 4 트랜지스터의 게이트와 상기 제 1 트랜지스터 및 제 2 트랜지스터의 드레인을 스위칭하여, 상기 드레인으로 선택적으로 바이어스를 공급하는 제 1 스위치; 및 상기 제 3 트랜지스터 및 상기 제 4 트랜지스터의 게이트와 상기 제 5 트랜지스터 및 제 6 트랜지스터의 드레인을 스위칭하여, 상기 드레인으로 선택적으로 바이어스를 공급하는 제 2 스위치가 포함된다. 본 발명에 따르면, 전체 장치의 구현 시에, 동일한 성능에도, 크기가 작고, 소비전력이 낮은 장점을 얻을 수 있다. 이미지 센서의 적용 시에는 작은 크기의 픽셀에도 안정적으로 대응할 수 있고, 안정적인 출력신호를 얻을 수 있는 장점이 있다.
관련링크
댓글목록
등록된 댓글이 없습니다.

